Solutions Électriques Avancées pour l’Industrie et le Tertiaire : Instrumentation et Schématisation
Chez AUMOTIK-LAB, nous mettons notre expertise en électrotechnique industrielle et tertiaire au service des entreprises de Gironde, de Libourne à Bordeaux.
Nous réalisons des projets sur mesure en schématisation, instrumentation, automatisme et câblage d’armoires électriques, conformes aux normes les plus exigeantes.
Notre objectif : garantir sécurité, performance et fiabilité à chaque étape de votre installation
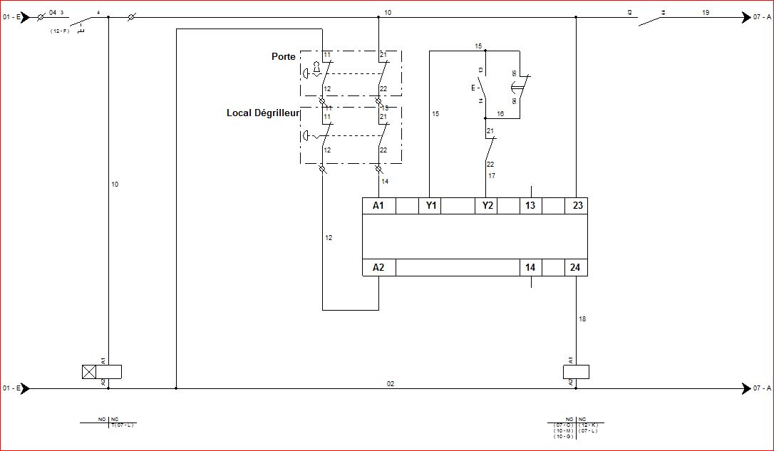
Schématisation et Conception d’Armoires Électrique
Notre équipe conçoit des schémas électriques précis et conformes à vos cahiers des charges.
Chaque projet d’armoire électrique est étudié pour optimiser l’efficacité, la maintenance et la sécurité de vos systèmes.
Nous utilisons des outils professionnels de CAO électrique pour produire une documentation claire, conforme aux normes industrielles en vigueur (CE, NF, ISO)
Instrumentation et Automatisation
Nous proposons des solutions complètes d’instrumentation industrielle :
-
Installation et paramétrage de capteurs, transmetteurs et boucles de mesure (4-20mA, 0-10V)
-
Réglage et calibration d’instruments de contrôle
-
Maintenance et optimisation de vos systèmes automatisés
Nos interventions garantissent un fonctionnement précis et stable de vos processus industriels, tout en réduisant les risques d’arrêt de production.
Réalisation et Câblage d’Armoires Électriques
La réalisation sur mesure d’armoires électriques constitue le cœur de notre activité.
Du câblage au test final, chaque étape est rigoureusement contrôlée.
Nous intégrons des relais de sécurité de marques reconnues (Pilz, PREVENTA) pour assurer une protection maximale de vos installations industrielles..
Programmation de Micro-Contrôleurs et Automatisme
Experts en automatisme et programmation de microcontrôleurs, nous développons des solutions logicielles sur mesure pour :
-
la supervision de processus industriels
-
la programmation d’automates (API, microcontrôleurs)
-
le dépannage et la maintenance des systèmes automatisés
Nos interventions permettent d’améliorer la productivité, la précision et la fiabilité de vos équipements
Gestion de Projets et Documentation Technique
Nous prenons en charge la gestion complète de vos projets électriques :
-
Rédaction de cahiers des charges électriques
-
Élaboration de notes de calcul (tarif jaune)
-
Constitution de dossiers techniques machines pour la conformité CE et la traçabilité documentaire.
Cette approche garantit une documentation complète et conforme, facilitant vos audits et la maintenance future.
Pourquoi Choisir AUMOTIK ?
Choisir AUMOTIK , c’est opter pour une expertise reconnue en instrumentation et schématisation dans les secteurs industriel et tertiaire. Nous nous engageons à fournir des solutions sur mesure, conçues pour répondre aux exigences techniques les plus élevées. Contactez-nous dès aujourd’hui pour discuter de vos projets et obtenir un devis personnalisé.

